Strada Miravalle, 24/4 - 10024 Moncalieri (TO) +39 011 647 21 75 +39 338 92 23 319 This email address is being protected from spambots. You need JavaScript enabled to view it.

Indirizzo

1 20 Icona indirizzo  Str. Miravalle, 24/4

10024 Moncalieri (TO)

2 20 Telefono  011 647 21 75555

3 20 Cellulare  338 92 23 319

4 20 Email verde ecotribe2005@yahoo.it

01 500x434 Pres NATURAL BNCALDAIA LEGNA BLAZE NATURAL A FIAMMA INVERSA 

  • Garanzia 7 ANNI contro la corrosione
  • Efficienza della combustione > 90%
  • Miglior rapporto qualità / prezzo 
  • 4 brevetti in una unica caldaia
  • Carico dall'alto del combustibile
  • Tiraggio minimo richiesto della canna fumaria 10Pa
  • Vano di carico termo isolato
  • Camera di combustione a secco in refrattario
  • Valvola anticondensa integrata Possibilità di funzionamento anche senza elettricità
  • Possibilità di installazione senza puffer
  • Classe di qualità ambientale    
     
           
Le caldaie a legna con gassificazione a fiamma inversa della serie NATURAL sono generatori termici di alta qualità progettate per il riscaldamento efficiente, ecologico e confortevole di case familiari, appartamenti, villette, uffici, piccoli stabilimenti e altri edifici. Le caldaie BLAZE NATURAL PLUS sono certificate per l'installazione e il funzionamento anche senza serbatoio di accumulo1, grazie all'alto campo di regolazione della potenza 30 ÷ 100%). Hanno un elevato rendimento > 90,0% e la possibilità di funzionare a tiraggio naturale. Tuttavia, si sconsiglia il collegamento senza serbatoio di accumulo per il riscaldamento di edifici la cui perdita di calore è significativamente inferiore alla potenza nominale della caldaia, anche con il funzionamento alla potenza minima della caldaia si potrebbe verificare un surriscaldamento. Si consiglia comunque di abbinare la caldaia ad un acumulatore termico per avere un funzionamento più performante. 

Progettate e costruite per avere rendimenti molto alti e basse emissioni, oggi soddisfano tutte le certificazioni ambientali e rientrano nella categoria 4 STELLE. La serie NATURAL PLUS BN è disponibilie in due modelli con potenza: la BN 25 da 26kW, alimentata con legna pezzata da 33cm, e la Bn 35 da 40kW, alimentata con legna pezzata da 50cm. Tutti i modelli sono stati ideati e progettati tenendo conto delle norme entrate in vigore il 1° gennaio 2022 (Regolamento UE 2015/1185) e come tali sono certificate. 

COMBUSTIBILI AMMESSI

             
Legna pezzata Ritagli di Segheria Gusci di nociola Tronchetti pressati Trucioli di legna Cippato di legna Segatura di legna
 
NB: l'uso dei combustibili triti o granulari, in una caldaia a legna a gassificazione con fiamma inversa, sono subordinati alla possibilità di lasciare circolare all'inteno del generatore l'aria comburente. Per questa ragione i combustibili frammentati vanno intercalati a normali strati di legna pezzata. L'uso esclusivo di questi tipi di combustibile può ostruire il passaggio dell'aria primaria e di conseguenza portare al soffocamento della fiamma, con il rischio di spegnimento della caldaia. Per utilizzare principalmente questi tipi di combustibili si consiglia di prendere in considerazione caldaie più specifiche.
 
 
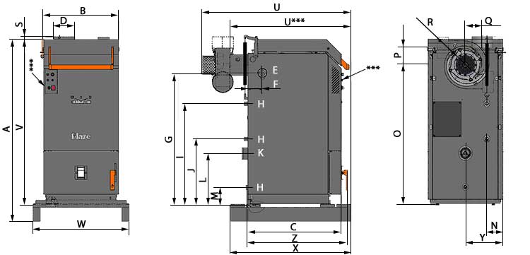
POS.   BN 25 PLUS   BN 35 PLUS   3 750 Tre Dim sito NATURAL
    Misure in mm  
A    1200    1200  
B    530    714  
C    664    664  
D    Ø 149    Ø 149  
E   G 6/4"     G 6/4"  
F   104    104   
G    939   939   
H   G 1/2"    G 1/2"  
I    721   721   
J    471   471   
K   G 2" 1/2  *    G 2" 1/2  *  
L    370   370   
M   130     130  
N    113   113   
O   995    995   
 
     DATI TECNICI NATURAL PLUS BN   U. MIS.   BN 25 PLUS   BN 35 PLUS
     Potenza nominale   kW    26   40
     Campo di modulazione    kW   7,6 ÷ 26,0   12,0÷ 40,0
     Rendimanto certificato   %   90,0    90,0
     Lunghezzi dei ceppi di legna   mm    330    500 
     Volume vano di carico    L   80    120 
     Peso caldaia   Kg   340    440 
     Tiraggio richiesto in canna fumaria   Pa    10   10 
     Pressione d'esercizio max    bar   3,0    3,0
     Classe di prestazione (Uni 303-5:2012)   -   5   5
     EcoDesign (Modello economico di sostenibiltà)    -   SI   SI
     Classe energetica    -   A+    A+  
     Classe di qualità ambientale (D.M. 186(2017)    -   00 18 Quattro Stelle in fila    00 18 Quattro Stelle in fila  
   200    200  
 Q    120    120  
 R    Ø 141    Ø 141  
 S    18    18  
 U    1040    1040  
 V    1176    1176  
   680    870  
   850  **    850  **  
   265    324  
   707    707  
*    Ingresso ritorno ridotto a G 6/4" 
**  Misura senza ventilatore
  
 
10 1200x322 legnabosco op60
 
 
POS.     DESCRIZIONE CALDAIA 4 500 Esploso Fronte NATURAL
1     Vano di carico del combustibile
2     Camera di combustione in refrattario
3     Scambiatore termico laterale
4     Scambiatore termico posteriore
5     Rivestimento di protezione del vano di carico
6     Regolatore meccanico della temperatura dell'acqua
7     Ventilatore d'aspirazione
9     Coperchio sup. scambiatore di calore posteriore
10     Sportello sup. accesso vano di carico
11    Sportello inf. accesso camera di combustione
12     Leva interna per rilevamento quantità combustibile
14     Attacco scarico fumi del ventilatore Ø 149
16     Attacco mandata G 1" 1/2
18     Deflettore mobile entrata aria comburente
19     Spioncino in vetro ceramica per ispezione fiamma
20     Feritoia passaggio fiamma dal vano di carico
21     Piastra laterale inclinata in refrattario (4pcs25 - 2pcs35)
22      Sonda termostato emergenza
23     Pozzetto termostato circolatore
24    Sonda temperatura fumi
25     Molla controbilanciamento apertura sportello sup.
26     Asta sostegno sportello vano di carico aperto
27     Piastre di base camera combustione (10pcs25 - 13pcs35)
28     Refrattario post. camera combustione (1x posteriore)            5 430x532 Esploso retro NATURAL                     
29     Piastra termoisolante sportello camera combustione
30     Pannello distribuzione aria comburente
31     Turbolatori pulizia scambiatori verticali (6pcs25 - 9pcs35)
32     Blocco asta rilevamento
34     Attacco carico / scarico acqua caldaia 1/2"
35      Raccordo refrattario angolare (4pcs25 - 35)
36     Sensore chiusura entrata aria 
37     Attacco 3/4" scarico valvola di sicurezza termica
38     Distributore acqua interno caldaia
39     Attacco 3/4" carico valvola di sicurezza termica
40     Diffusore in refrattario per passaggio fiamma
41     Piastra refrattaria accesso vano raccolta cenere scambiatore post.
42     Attacco 1/2" sonda valvola di sicurezza termica
43     Feritoia sup. immissione aria essiccazione legna
45     Listello refrattario di fondo vano di carico (1pcs35)
46     Condotti distribuzione aria comburente
49     Piedino livellamento caldaia
 57     Gruppo integrato valvola anticondensa
     
     
 
 

2 320 Pannello Regolatore NATURAL

DETTAGLIO REGOLATORE

     
     
POS.   DESCRIZIONE FRONTALINO REGOLATORE
13     Interruttore generale
17     Pannello di controllo del regolatore
54     Manopola regolazione della potenza
55     Interruttore alimentazione ventilatore alla massima potenza
56     Fusibile del regolatore
 58     Pulsante termostato emergenza
 59     Spia luminosa segnalazione spegnimento del ventilatore (fine combustione, acqua in temperatura)
      
     
      
 
 
9 240 Dettaglio valvola anticondensa  POS.  DESCRIZIONE VALVOLA ANTICONDENSA INTEGRATA
15   Attacco ritorno G 2" 1/2 F
33  Termostato anticondensa per miscelazione temperatura acqua di ritorno
38   Distributore interno acqua di ritorno
47  Molla di compressione del termostato
48   Riduzione 2”½ M  → 1”½ F
    10 350 Componenti anticondensa
   
   
   
   
 DETTAGLIO VALVOLA ANTICONDENSA    
     

 

 NOTE CENTRALE TERMICA E CANNA FUMARIA

 

8 300 Sch centrale termica COMFORTPer poter eseguire agevolmente la futura manutenzione ordinaria e straordinaria della caldaia si consiglia di rispettare le misure minime indicate nello schema. Il collegamento della caldaia al camino deve essere fatto in conformità con le norme vigenti; una canna fumaria giustamente dimensionata è la premessa per il perfetto funzionamento di tutto il sitema. Il tubo di collegamento fra la caldaia ed il camino (tubo da fumo) deve essere il più corto possibile e normalmente disposto con pendenza a salire verso l’imbocco del camino. 9 Schema attacco canna fumaria
Alcune indicazioni di base sulla canna fumaria:
  • La sezione del camino deve garantire una portata maggiore durante il processo di caricamento, si consiglia:                                                           BC 15/20                BC 25/30
Diametro minimo canna fumaria                        160                         180
Diametro consigliato canna fumaria                  200                         250
  • L'altezza del camino non dovrebbe essere inferiore a 3m
  • Normalmente non dovrebbe servire un limitatore di tiraggio se la depressione è compresa tra 10 ÷ 30 Pa
  • Si consiglia di sigillare i giunti con un'opportuno sigillante o con del nastro d’alluminio, per evitare fuoriuscite di fumo durante la fase d’accensione

NB: Le presenti indicazioni hanno carattere puramente informativo , la canna fumaria va calcolata da un tecnico qualificato e abilitato.

     SCARICA DEPLIANT CALDAIE A BIOMASSA BLAZE                01 50 Freccia verde    02 50 Logo Rosso PDF
     
     SCARICA DEPLIANT CALDAIA A LEGNA NATURAL PLUS          01 50 Freccia verde   02 50 Logo Rosso PDF
We use cookies
Utilizziamo i cookie sul nostro sito web. Alcuni di essi sono essenziali per il funzionamento del sito, mentre altri ci aiutano a migliorare questo sito e l'esperienza dell'utente (cookie di tracciamento). Puoi decidere tu stesso se consentire o meno i cookie. Tieni presente che se li rifiuti, potresti non essere in grado di utilizzare tutte le funzionalità del sito.